Published:2011/5/19 3:02:00 Author:Sue | Keyword: Electronic, Pest Repeller | From:SeekIC

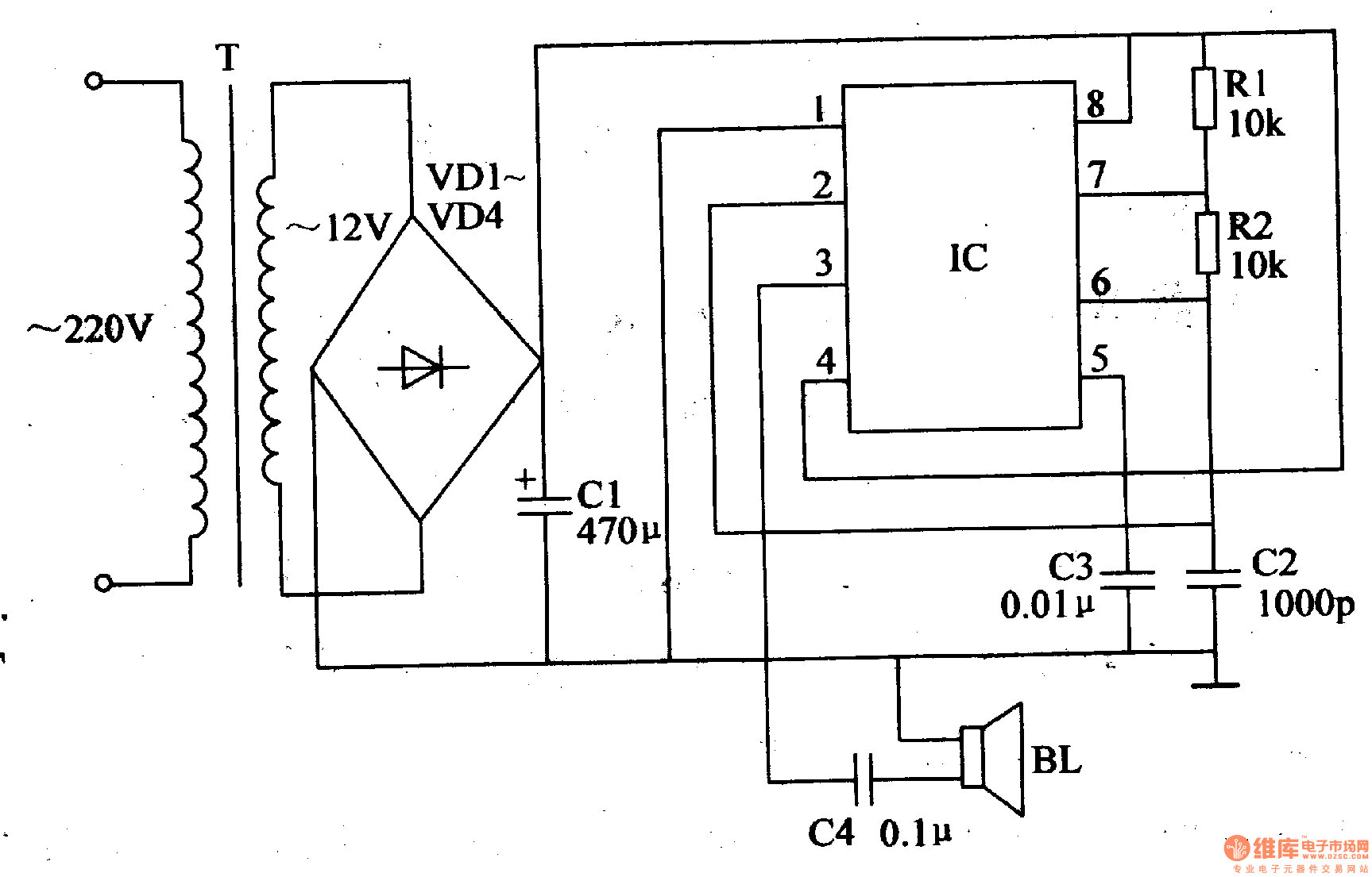
As seen in figure 4-178, the electronic pest repeller circuit consists of power circuit and multivibrator circuit.
When the power is on, an ac voltage of 220V will generate 12V direct voltage after the reduction, rectification and filtering by T, VD1-VD4 and C1. The 12V voltage will be sent to IC.
After the multivibrator begins to work, IC's 3 pin will output square form wave with a frequency of 48kHz, which will be transformed to ultrasonic wave by BL. The ultrasonic wavewill beemitted and can repel the pests.
When R1,R2's resistance value or C2's capacity are changed, the working frequency of the multivibrator can be changed.
Reprinted Url Of This Article:
http://www.seekic.com/circuit_diagram/Automotive_Circuit/Electronic_Pest_Repeller_1.html
Print this Page | Comments | Reading(3)
Code: