Published:2011/7/6 21:29:00 Author:Christina | Keyword: Epica, starting, charging system | From:SeekIC

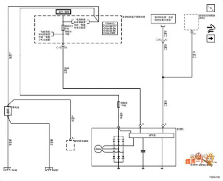
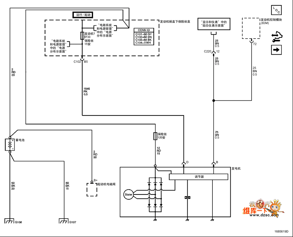
The Epica starting and charging system circuit is as shown in the figure:
Reprinted Url Of This Article:
http://www.seekic.com/circuit_diagram/Automotive_Circuit/Epica_starting_and_charging_system_circuit.html
Print this Page | Comments | Reading(3)
Code: