Published:2011/5/14 3:26:00 Author:Sue | Keyword: Eyesight, Protection, Reminder | From:SeekIC

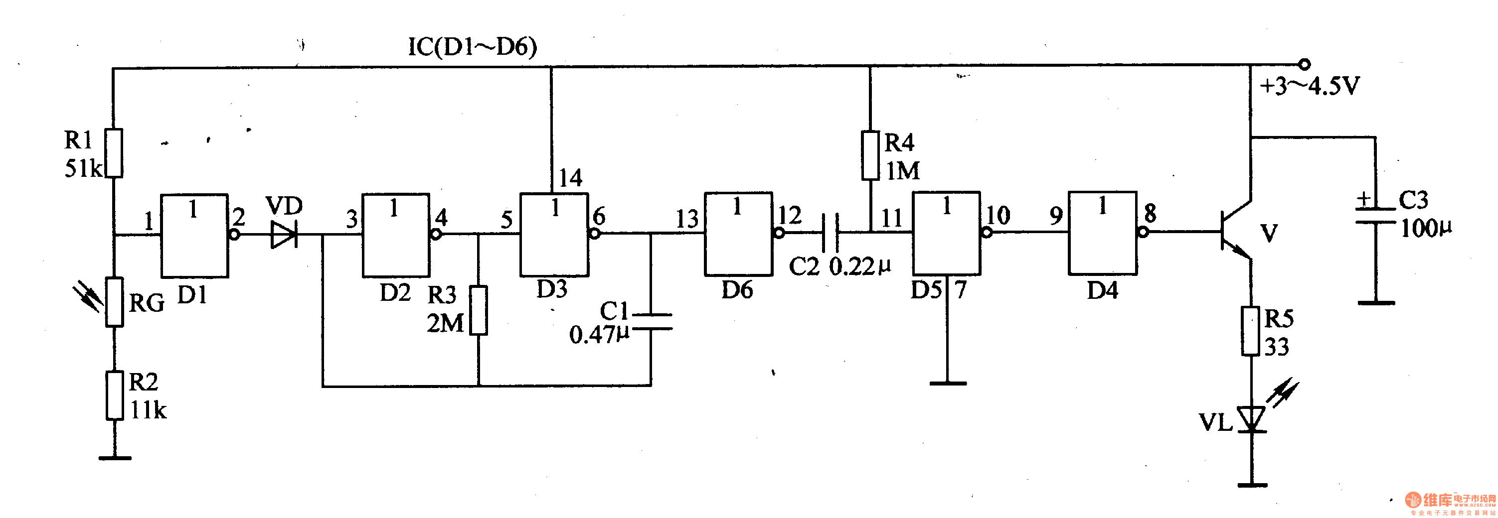
When the indoor light is strong, the inside resistance value of light sensitive resistor is small. IC's 1 pin has a low level, and 2 pin has a high level. VD is connected and the controlled pulse oscillator doesn't work, so VL is not illuminated. When the indoor light is so weak as to reach a certain level, NOT gate circuit D1 will reverse and make VD disconnected. The controlled pulse amplifier begins to work and generates square form pulse signal. The signal will turn into narrow pulse signal after differentiating circuit and shaping circuit. Then after the signal is amplified by V, it will promote VL to work and twinkle with a certain frequency.
Reprinted Url Of This Article:
http://www.seekic.com/circuit_diagram/Automotive_Circuit/Eyesight_Protection_Reminder.html
Print this Page | Comments | Reading(3)
Code: