Published:2011/4/11 22:51:00 Author:muriel | Keyword: FAW bora, 1.8L, saloon car , radio | From:SeekIC

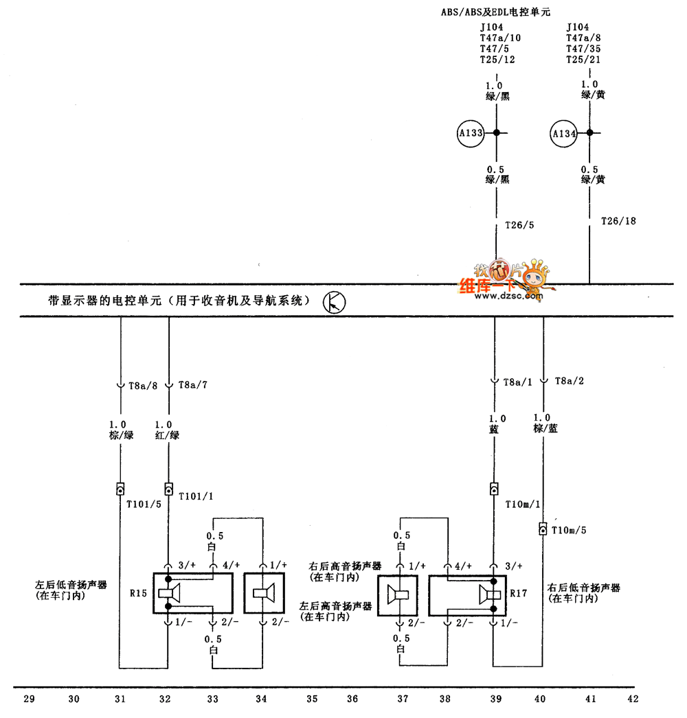
FAW bora (1.8L) saloon car radio circuit diagram(two) as shown
Reprinted Url Of This Article:
http://www.seekic.com/circuit_diagram/Automotive_Circuit/FAW_bora_18L_saloon_car_radio_circuit_diagramtwo.html
Print this Page | Comments | Reading(3)
Code: