Published:2011/7/18 3:08:00 Author:Joyce | Keyword: FUKANG , Automatic Transmission | From:SeekIC

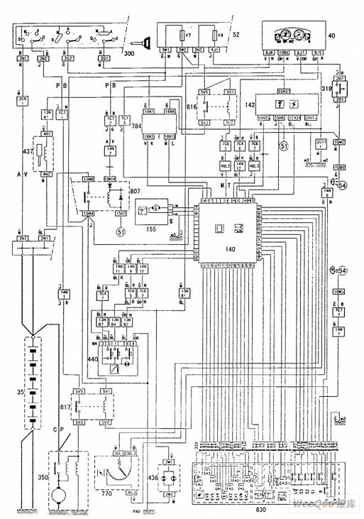
15-generator 35-battery 40- dashboard 50- 6 fuse boxes 52- 13 fuse boxes 140-electronic control units of automatic transmission 142-electronic control units of engine fuel injection 155-the sensor of output speed 319-brake switch 350- starter
437- lock-up mechanism of the gear lever
438-baffle plate floodlight 440-program selector 770-throttle potentiometer 784-16 channel diagnosis interface 807-double sealed relays
816-the shift lever lock-up relay 817-start-banned relay 830-electrical equipment connection box of the automatic transmission
Reprinted Url Of This Article:
http://www.seekic.com/circuit_diagram/Automotive_Circuit/FUKANG_AL4_Automatic_Transmission_Circuit.html
Print this Page | Comments | Reading(3)
Code: