Published:2011/4/6 3:22:00 Author:Rebekka | Keyword: Five-channel audio equipment , remote circuit | From:SeekIC


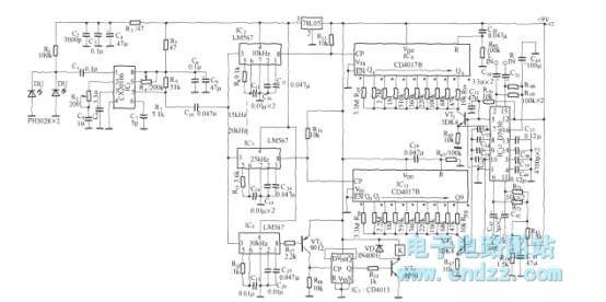
The infrared remote control transmitter circuit is shown as below.
Reprinted Url Of This Article:
http://www.seekic.com/circuit_diagram/Automotive_Circuit/Five_channel_audio_equipment_remote_circuit_diagram.html
Print this Page | Comments | Reading(3)
Code: