Published:2009/7/16 3:10:00 Author:Jessie | From:SeekIC

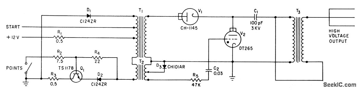
Thyratron V2 discharges C1 through spark coil T3 to provide ignition spark each time points open and magnetic field of trigger transformer T2 collapses. Field is built up in T1-T2 by power transistor Q1 when points close again,-H. P. Quinn, Gas Tubes and Transistor for Electronic Ignition, Electronics, 34:50, p 62-64.
Reprinted Url Of This Article:
http://www.seekic.com/circuit_diagram/Automotive_Circuit/GAS_TUBE_AUTO_IGNITION.html
Print this Page | Comments | Reading(3)
Code: