Published:2011/4/24 20:36:00 Author:muriel | Keyword: GUANGZHOU Fit , entrance light control system | From:SeekIC

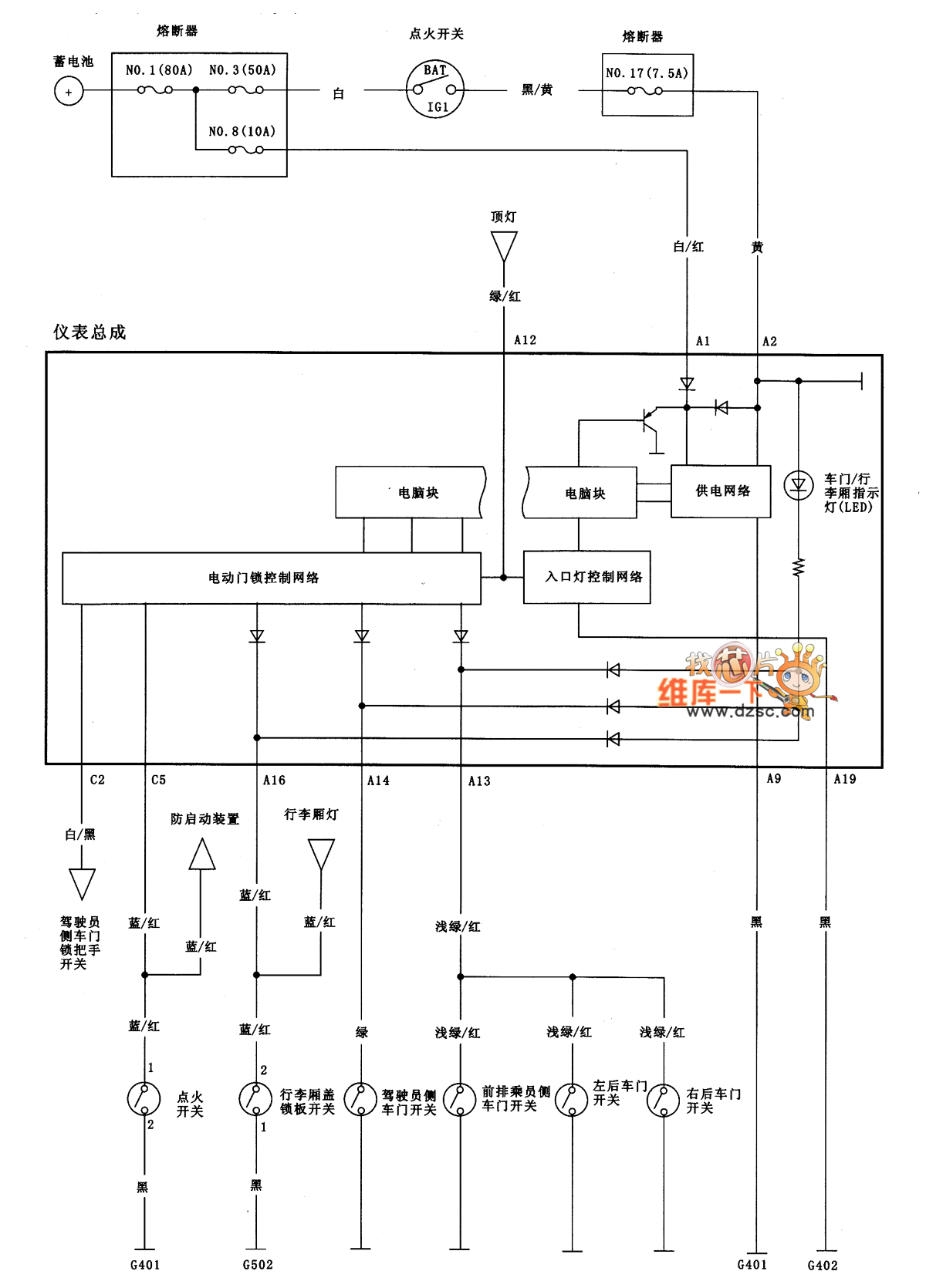
GUANGZHOU Fit entrance light control system circuit diagram is as shown
Reprinted Url Of This Article:
http://www.seekic.com/circuit_diagram/Automotive_Circuit/GUANGZHOU_Fit_entrance_light_control_system_circuit_diagram.html
Print this Page | Comments | Reading(3)
Code: