Published:2011/4/24 20:34:00 Author:muriel | Keyword: GUANGZHOU Fit, motor-driven car window | From:SeekIC

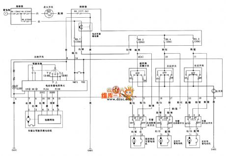
GUANGZHOU Fit motor-driven car window circuit diagram is as shown
Reprinted Url Of This Article:
http://www.seekic.com/circuit_diagram/Automotive_Circuit/GUANGZHOU_Fit_motor_driven_car_window_circuit_diagram.html
Print this Page | Comments | Reading(3)
Code: