Published:2011/4/24 20:31:00 Author:muriel | Keyword: GUANGZHOU Fit , windshield wiper, scrubber | From:SeekIC

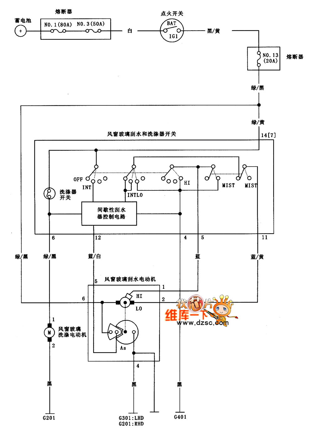
GUANGZHOU Fit windshield wiper and scrubber circuit diagram is as shown
Reprinted Url Of This Article:
http://www.seekic.com/circuit_diagram/Automotive_Circuit/GUANGZHOU_Fit_windshield_wiper_and_scrubber_circuit_diagram.html
Print this Page | Comments | Reading(3)
Code: