Published:2011/4/24 20:24:00 Author:muriel | Keyword: GUANGZHOU HONDA Accord, engine | From:SeekIC



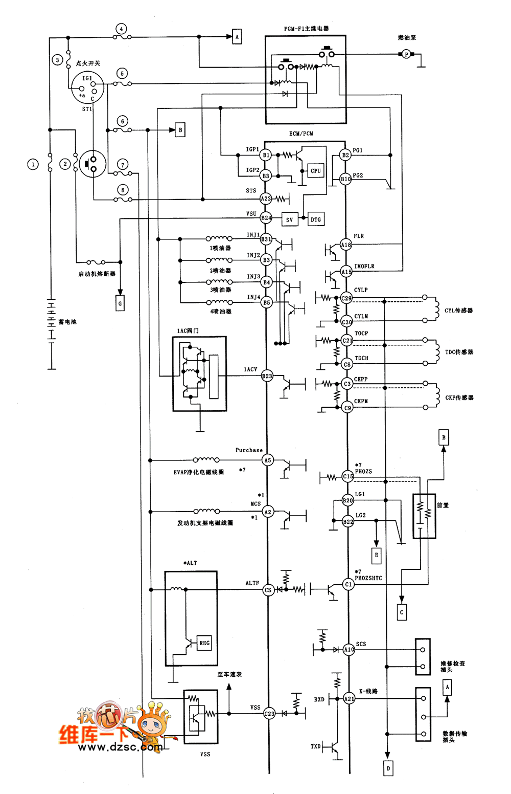
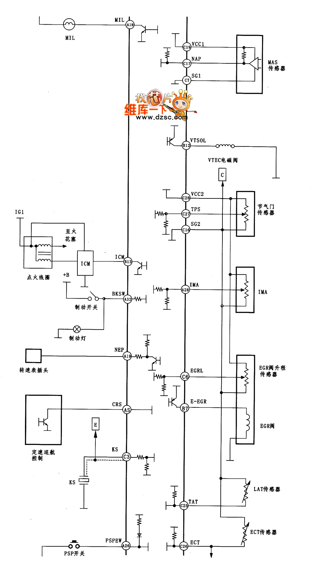
GUANGZHOU HONDA Accord engine circuit diagram is as shown
Reprinted Url Of This Article:
http://www.seekic.com/circuit_diagram/Automotive_Circuit/GUANGZHOU_HONDA_Accord_engine_circuit_diagram.html
Print this Page | Comments | Reading(3)
Code: