Published:2011/7/24 8:26:00 Author:Robert | Keyword: Golf, Bora, Car, Light | From:SeekIC













These pictures show the Golf Bora car light circuits.
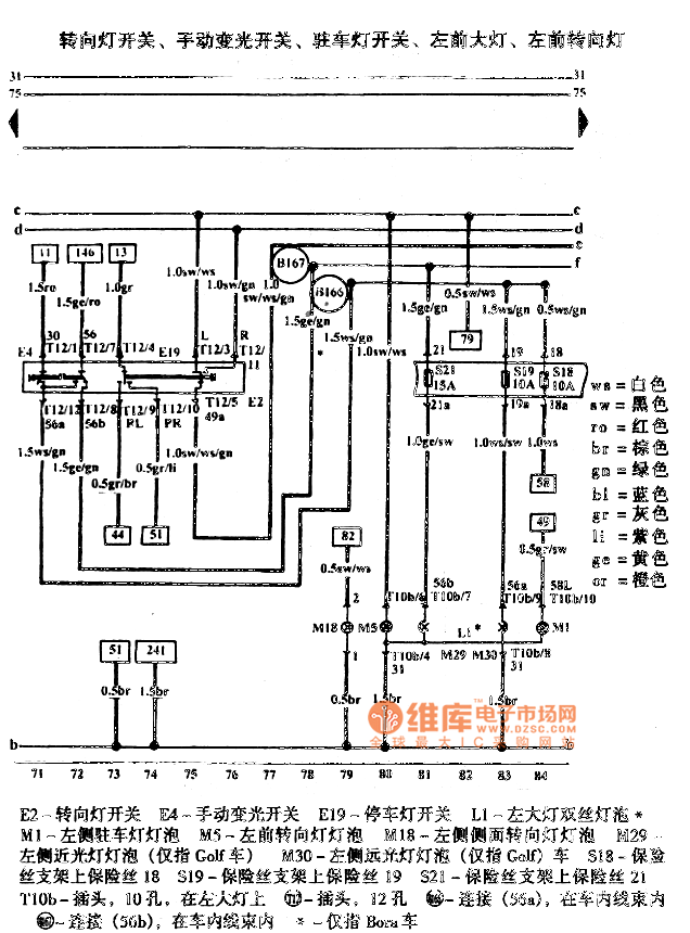
The picture 1 shows the turning lamp switch, manual dimmer switch, parking lamp switch, left head lamp, left head turning lamp.
The picture 2 shows the warning lamp switch, flash relay, right head lamp, right head turning lamp.
The picture 3 shows the left rear lamp, left brake lamp, left rear turning lamp, left reversing light, reversing light switch, rear fog lamp, high brake lamp bulb (Golf).
The picture 4 shows the right rear lamp, right brake lamp, right rear turning lamp, right reversing light, brake lamp switch, high brake lamp (Bora).
The picture 5 shows the self-diagnostic interface, radio interface, cigarette lighter.
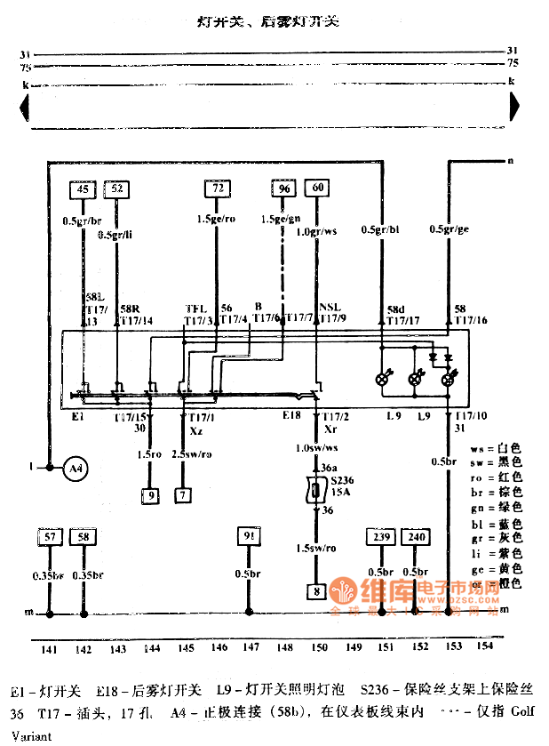
The picture 6 shows the lamp switch, rear fog lamp switch.
The picture 7 shows the sundries box lamp, license plate lamp.
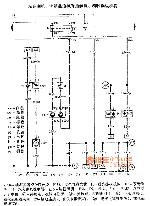
The picture 8 shows the dual-tone horn, fuel tank lid remote-control opening device, horn operating mechanism.
And so on.
Reprinted Url Of This Article:
http://www.seekic.com/circuit_diagram/Automotive_Circuit/Golf_Bora_Car_Light_Circuit.html
Print this Page | Comments | Reading(3)
Code: