Published:2011/5/5 20:24:00 Author:muriel | Keyword: Guangzhou FIT, headlamp regulator | From:SeekIC

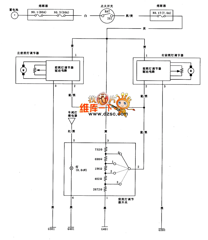
Guangzhou FIT headlamp regulator circuit diagram is as shown
Reprinted Url Of This Article:
http://www.seekic.com/circuit_diagram/Automotive_Circuit/Guangzhou_FIT_headlamp_regulator_circuit_diagram.html
Print this Page | Comments | Reading(3)
Code: