Published:2011/5/5 3:31:00 Author:muriel | Keyword: Guangzhou FIT, instrument system | From:SeekIC

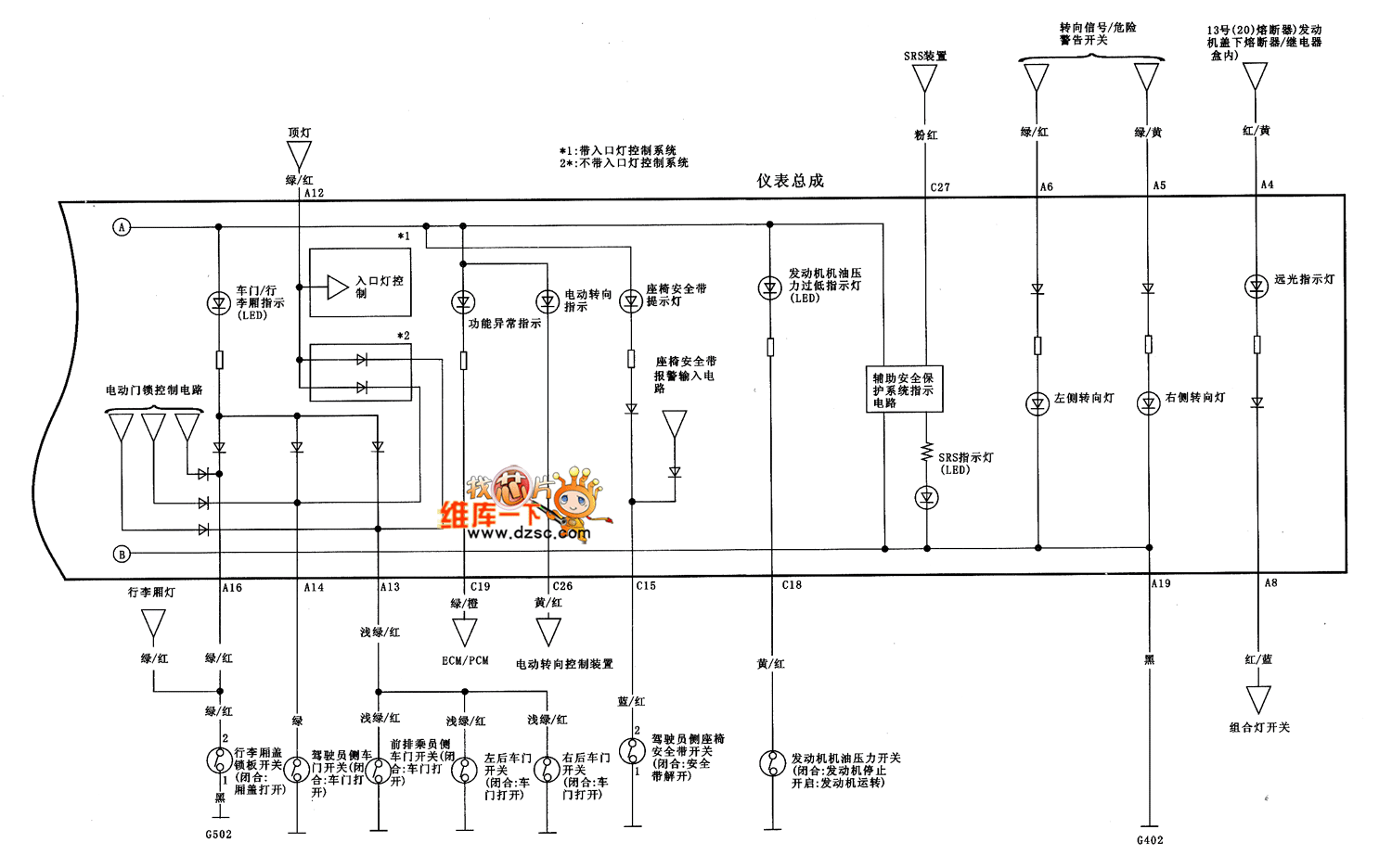
Guangzhou FIT instrument system circuit diagram is as shown
Reprinted Url Of This Article:
http://www.seekic.com/circuit_diagram/Automotive_Circuit/Guangzhou_FIT_instrument_system_circuit_diagram.html
Print this Page | Comments | Reading(3)
Code: