Published:2011/5/5 2:48:00 Author:muriel | Keyword: Guangzhou FIT , steering lamp, hazard warning lamp | From:SeekIC

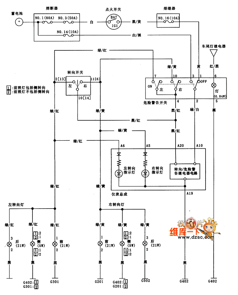
Guangzhou FIT steering lamp and hazard warning lamp circuit diagram is as shown
Reprinted Url Of This Article:
http://www.seekic.com/circuit_diagram/Automotive_Circuit/Guangzhou_FIT_steering_lamp_and_hazard_warning_lamp_circuit_diagram.html
Print this Page | Comments | Reading(3)
Code: