Published:2011/4/14 20:54:00 Author:muriel | Keyword: Guangzhou Honda accord, body light | From:SeekIC

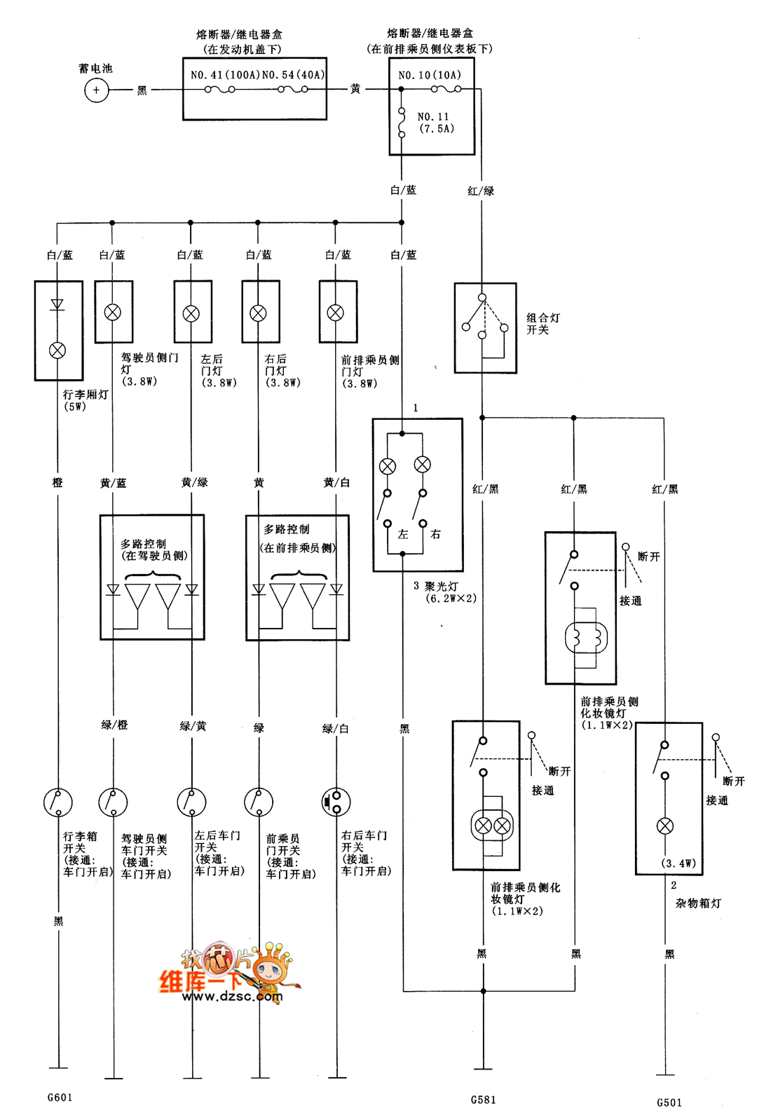
Guangzhou Honda accord body light circuit diagram is as shown
Reprinted Url Of This Article:
http://www.seekic.com/circuit_diagram/Automotive_Circuit/Guangzhou_Honda_accord_body_light_circuit_diagram.html
Print this Page | Comments | Reading(3)
Code: