Published:2011/4/14 21:15:00 Author:muriel | Keyword: Guangzhou Honda accord , combination switch | From:SeekIC

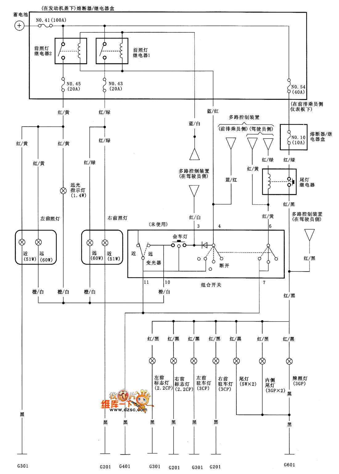
Guangzhou Honda accord combination switch circuit diagram is as shown
Reprinted Url Of This Article:
http://www.seekic.com/circuit_diagram/Automotive_Circuit/Guangzhou_Honda_accord_combination_switch_circuit_diagram.html
Print this Page | Comments | Reading(3)
Code: