Published:2011/7/10 19:27:00 Author:TaoXi | Keyword: Hainan Mazda, Familia, central, door lock | From:SeekIC

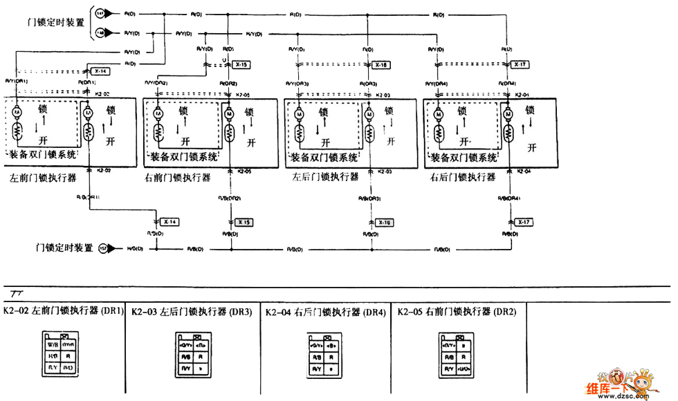
The Hainan Mazda Familia car central door lock circuit is as shown in the figure:
Reprinted Url Of This Article:
http://www.seekic.com/circuit_diagram/Automotive_Circuit/Hainan_Mazda_Familia_car_central_door_lock_circuit.html
Print this Page | Comments | Reading(3)
Code: