Published:2011/7/18 2:49:00 Author:Sue | Keyword: Instrumentation Amplifier, High Common-mode | From:SeekIC

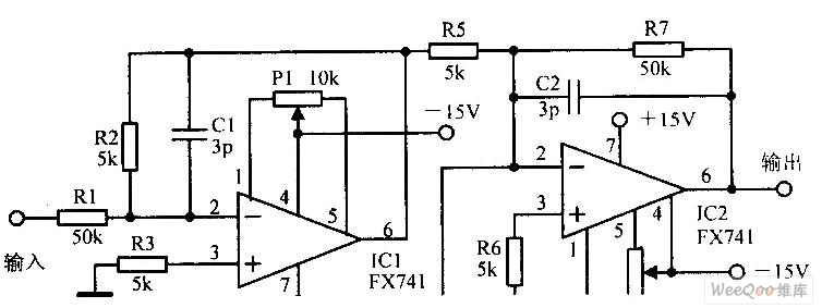
The picture shows the instrumentation amplifier circuit with high common-mode range.
Reprinted Url Of This Article:
http://www.seekic.com/circuit_diagram/Automotive_Circuit/Instrumentation_Amplifier_Circuit_with_High_Common_mode_Range.html
Print this Page | Comments | Reading(3)
Code: