Published:2011/9/8 1:53:00 Author:Sue | Keyword: Intelligent, Simple Pendulum Period, Determinator | From:SeekIC

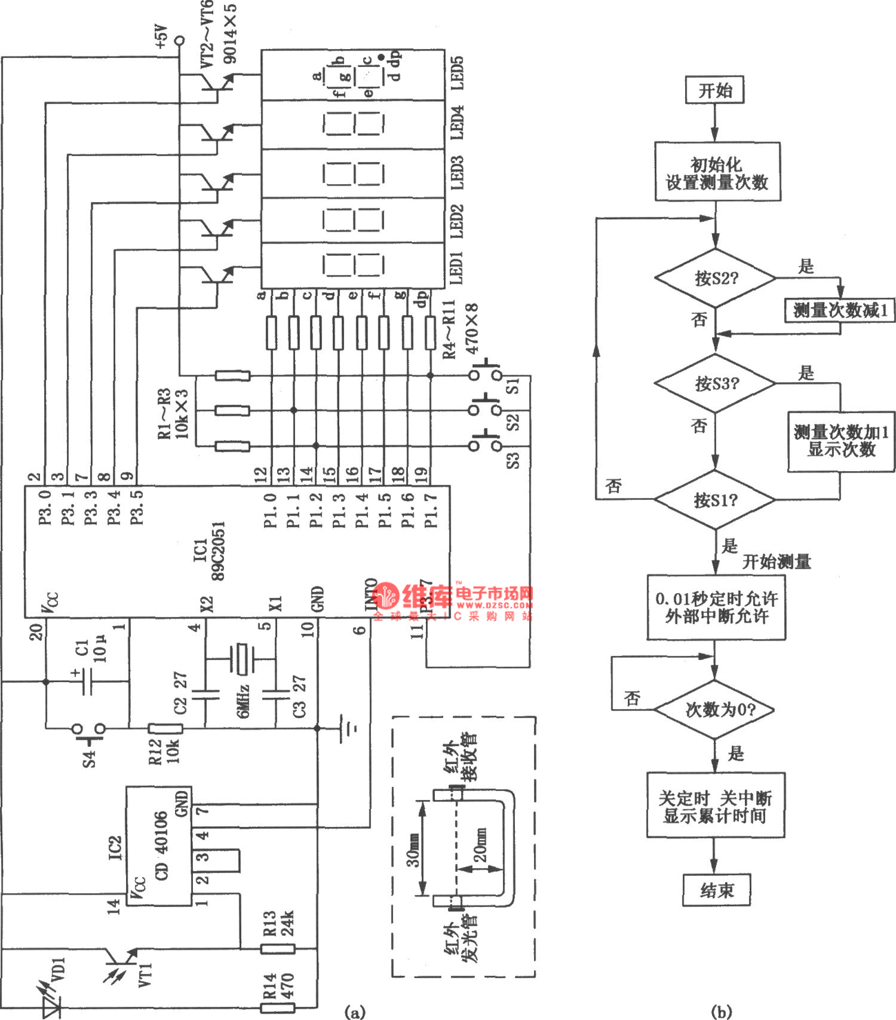
The picture shows the intelligent simple pendulum period determinator. It can be used in the experiment which measures the simple pendulum period. The circuit has high measurement accuracy, which can be as accurate as 1/100s. What's more, it doesn't need counting and timing by hand, so it only needs to set the measure times as several.
Reprinted Url Of This Article:
http://www.seekic.com/circuit_diagram/Automotive_Circuit/Intelligent_Simple_Pendulum_Period_Determinator89C2051CD40106.html
Print this Page | Comments | Reading(3)
Code: