Published:2011/5/16 3:24:00 Author:Sue | Keyword: Inverter | From:SeekIC

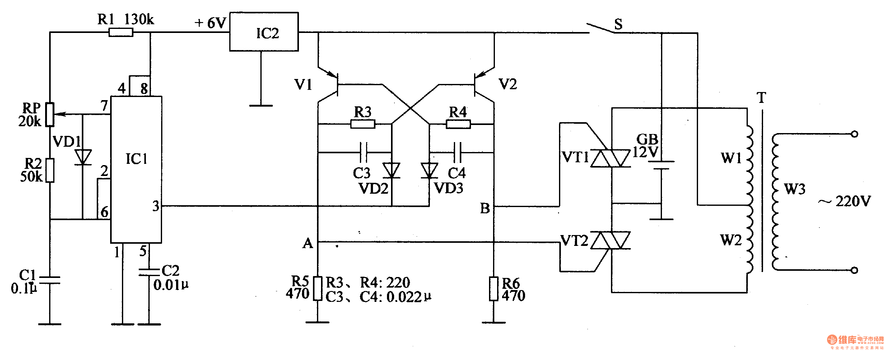
When S is connected, storage battery GB will provide monostable trigger circuit with a voltage of +12V, and another circuit will provide nonstable multivibrator circuit with +6V which is stablized by IC2.
When nonstable multivibrator begins to work, IC1's 3 pin will output oscillate pulse signal with a frequency of 100Hz, making V1 and V2 connected in turn. A and B will output high level flat pulse in turn, making VT1 and VT2 begin to work alternately, which can generate an alternating voltage of 5OHz、220V on T's secondary winding.
Reprinted Url Of This Article:
http://www.seekic.com/circuit_diagram/Automotive_Circuit/Inverter_1.html
Print this Page | Comments | Reading(3)
Code: