Published:2011/5/16 3:34:00 Author:Sue | Keyword: Inverter (2) | From:SeekIC

Working Principle:
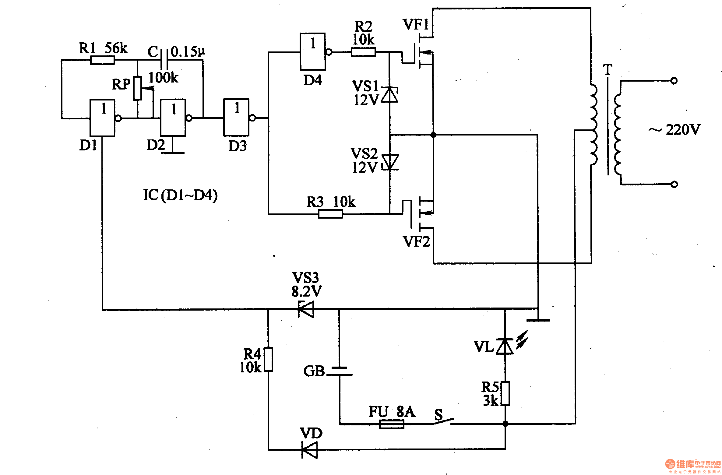
When power switch S is connected, low frequency oscillator begins to work and generates 50Hz oscillator signals. After the signal is buffered and reshaped by NOT gate D3, it will be sent to VF2's grid electrode through R3, and the other circuit will be sent to VF1's grid electrode after it is backward processed by NOT gate D4. So VF1 will work during the oscillator signal's positive half period while VF2 will work during the signal's negative half period. Finally after the signal is push-pull amplified, it will generate a alternating voltage of 220V at the two terminal of T's secondary winding.
Reprinted Url Of This Article:
http://www.seekic.com/circuit_diagram/Automotive_Circuit/Inverter_2.html
Print this Page | Comments | Reading(3)
Code: