Published:2011/7/4 0:41:00 Author:John | Keyword: push-pull amplifier | From:SeekIC

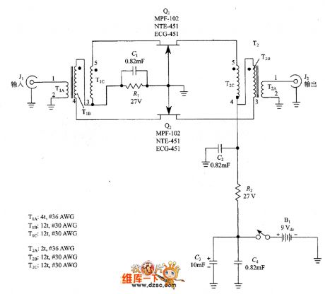
The practical RF circuit is just as shown. This is prototyp developed from a similar circuit based on Doug DeMaw’s masterpiece named WIFB's QRPNotebook (ARRL, 99r, Main Street, Newington, CT06111). The affecting amplification component is JFET and the ideal operating frequency ranges from DC to VHF band. The ever very popular MPF 102 or its equivalent replacement components such as SK, ECG, NTE series devices can be used as available devices. ZN4416 can also be used. We are using the NTE-451-type JFET transistors, whose transconductance is up to 4000mS (micro- west E-Siemens). Besides, leakage current is from 4mA to 10mA, power consumption is 310mW and the maximum noise value is 4dB.
Reprinted Url Of This Article:
http://www.seekic.com/circuit_diagram/Automotive_Circuit/JFET_broadband_push_pull_amplifier_circuit.html
Print this Page | Comments | Reading(3)
Code: