Published:2011/3/21 0:54:00 Author:Joan | Keyword: Jetta , central locking | From:SeekIC

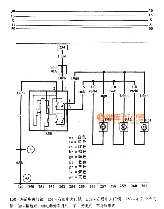
The figure is Jetta central locking diagram.
Reprinted Url Of This Article:
http://www.seekic.com/circuit_diagram/Automotive_Circuit/Jetta_central_locking_diagram.html
Print this Page | Comments | Reading(3)
Code: