Published:2011/6/25 4:34:00 Author:qqtang | Keyword: ASK, emitter | From:SeekIC

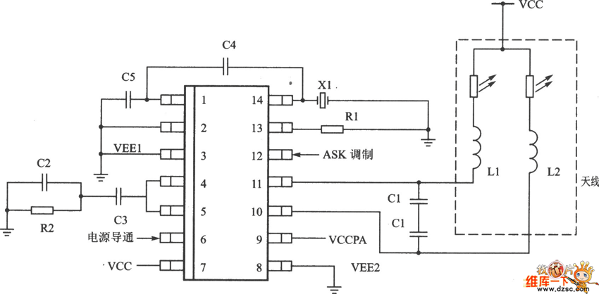
KESTX02--The ASK emitter circuit of 320~290 MHz is shown as above.
Reprinted Url Of This Article:
http://www.seekic.com/circuit_diagram/Automotive_Circuit/KESTX02__The_ASK_emitter_circuit_of_320~290_MHz.html
Print this Page | Comments | Reading(3)
Code: