Published:2011/5/9 5:11:00 Author:Sue | Keyword: Key Ring, Wireless, Encoding, Remote Controller | From:SeekIC

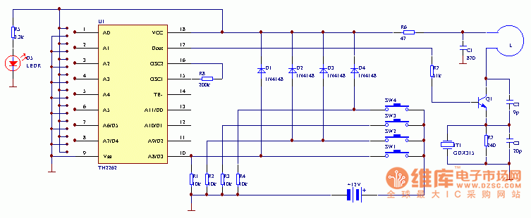
As seen in the figure is the key ring wireless encoding remote controller circuit.
Reprinted Url Of This Article:
http://www.seekic.com/circuit_diagram/Automotive_Circuit/Key_Ring_Wireless_Encoding_Remote_Controller_Circuit_1.html
Print this Page | Comments | Reading(3)
Code: