Published:2011/4/14 2:02:00 Author:Rebekka | Keyword: output connection mode | From:SeekIC


Reprinted Url Of This Article:
http://www.seekic.com/circuit_diagram/Automotive_Circuit/LC2210_output_connection_mode_circuit_diagram.html
Print this Page | Comments | Reading(3)
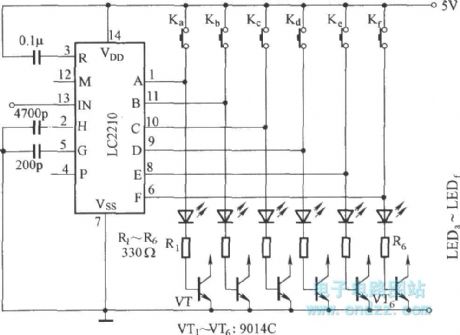
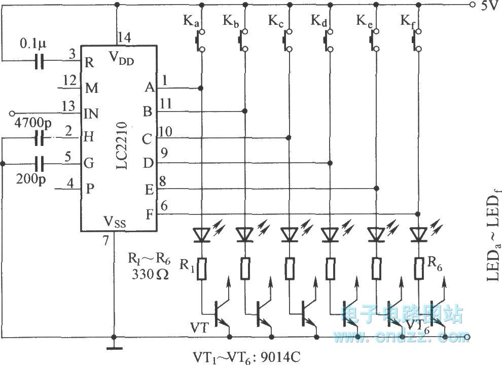
Code: