Published:2011/9/13 6:49:00 Author:Vicky | Keyword: high-speed integrator circuit | From:SeekIC

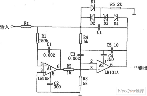
The above picture is a high-speed integrator circuit. The integration time constant RtCt in the circuit has a wide range of changing. In regardless of integration capacitance Ct, A2 is a broadband AC amplifier of positive and negative compensation. When capacitance Ct is added to the negative feedback circuit of A2, then the integrator comes into being. Because the low frequency and DC part of input signal are added to the non-inverting input end of A2 via A1 and resistance R2 respectively, the high-speed integrator then is formed, and it allows relatively low input bias current. Positive and negative compensation is composed of R4, C4 and C5.
Reprinted Url Of This Article:
http://www.seekic.com/circuit_diagram/Automotive_Circuit/LM101A_and_LM108_high_speed_integrator_circuit_diagram.html
Print this Page | Comments | Reading(3)
Code: