Published:2011/4/21 21:03:00 Author:Sue | Keyword: Long Period, Connected/Disconnected, Multivibrator | From:SeekIC

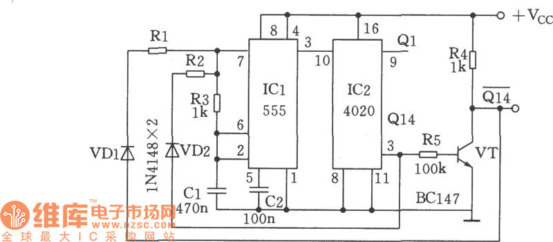
Multivibrator composed of 555 Timer IC can adjust the frequency and duty cycle separately, but when connected/disconnected period is long, a large capacitor is needed. As seen in the figure, however, without a large capacitor, adjustable connected/disconnected period can be realised, with the longest period reaching several hours. A 14-grade binary counter CD4020 is used to count the divided frequency, while the output terminals of CD4020, Q14 and Q14, are connected to R1 and R2 on the rising and falling edge, to output independent connected and disconnected period. The output terminal Q1 can be used to indicate the output of lasting periods. when R2=100k, Ton≈5minutes; when R1=1M, Toff≈50minutes.
Reprinted Url Of This Article:
http://www.seekic.com/circuit_diagram/Automotive_Circuit/Long_Period_Connected_Disconnected_Multivibrator_Circuit.html
Print this Page | Comments | Reading(3)
Code: