Published:2011/4/6 1:08:00 Author:Rebekka | Keyword: Long-range infrared remote | From:SeekIC


The circuit consists of infrared, infrared receiver and the implementation circuits.
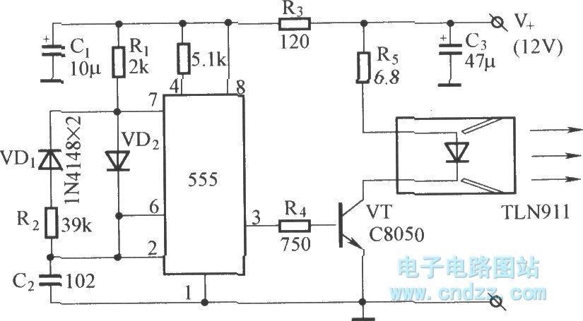
IR emitter is shown as below:
Reprinted Url Of This Article:
http://www.seekic.com/circuit_diagram/Automotive_Circuit/Long_range_infrared_remote_circuit_diagram.html
Print this Page | Comments | Reading(3)
Code: