Published:2011/6/16 11:46:00 Author:John | Keyword: variable RF | From:SeekIC

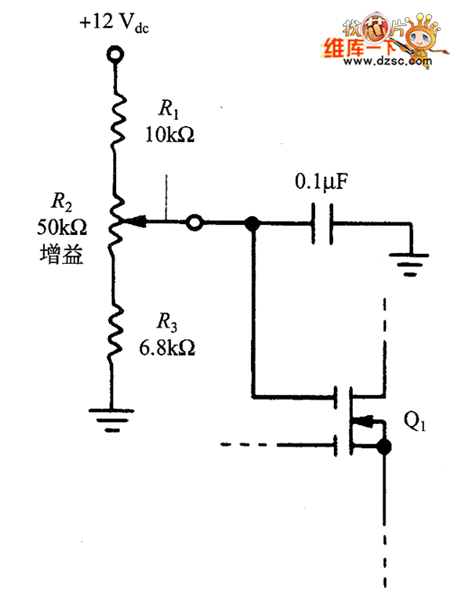
]In the two kinds of MOSFET circuits, the fixed bias network is used to set the gate G2 with a positive DC voltage. It can be replaced with a variable voltage circuit, just as shown in the figure. The potentiometer in the figure can be used as RF gain control device, in order to reduce the gain impact on the strong signal and increase the gain on the weak signal. This design allows the active shunts to prevent strong signal form overloading.
figure: MOSFET variable RF gain control circuit
Reprinted Url Of This Article:
http://www.seekic.com/circuit_diagram/Automotive_Circuit/MOSFET_variable_RF_gain_control_circuit.html
Print this Page | Comments | Reading(3)
Code: