Published:2011/3/21 2:00:00 Author:may | Keyword: vacuum tube amplifier | From:SeekIC

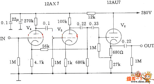
diagram: Marantz 7 vacuum tube amplifier circuit
Reprinted Url Of This Article:
http://www.seekic.com/circuit_diagram/Automotive_Circuit/Marantz_7_vacuum_tube_amplifier_circuit.html
Print this Page | Comments | Reading(3)
Code: