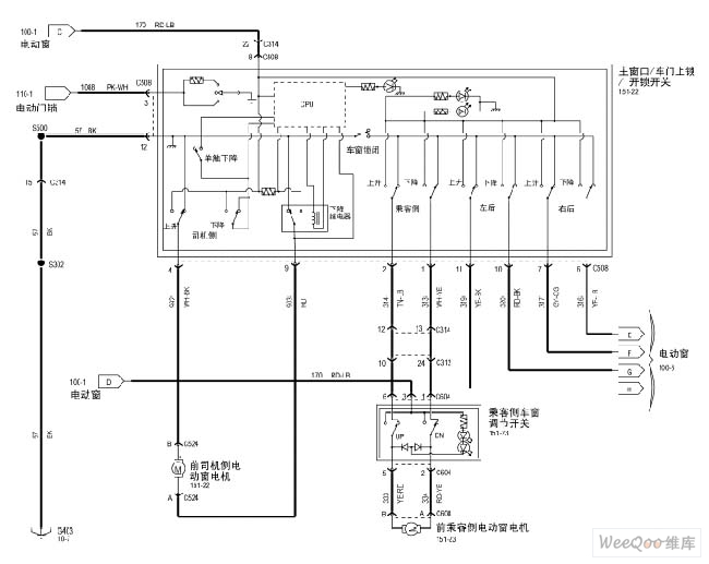
Published:2011/7/15 2:01:00 Author:Fiona | Keyword: electric windows | From:SeekIC

Reprinted Url Of This Article:
http://www.seekic.com/circuit_diagram/Automotive_Circuit/Maverick_2005_electric_windows_circuit_Figure_1.html
Print this Page | Comments | Reading(3)
Code: