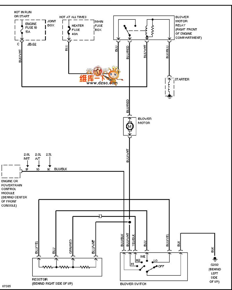
Published:2011/3/20 22:43:00 Author:Nicole | Keyword: Mazda 626, Heater | From:SeekIC

Reprinted Url Of This Article:
http://www.seekic.com/circuit_diagram/Automotive_Circuit/Mazda_626_Heater_Circuit_Diagram_2.html
Print this Page | Comments | Reading(3)
Code: