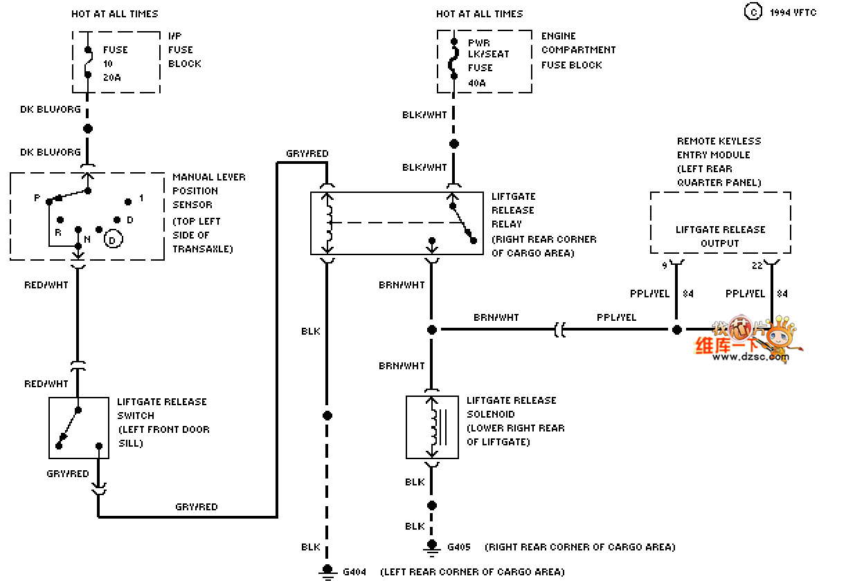
Published:2011/7/18 5:40:00 Author:nelly | Keyword: Mazda, back door | From:SeekIC

Reprinted Url Of This Article:
http://www.seekic.com/circuit_diagram/Automotive_Circuit/Mazda_94TAURUS_back_door_circuit_diagram.html
Print this Page | Comments | Reading(3)
Code: