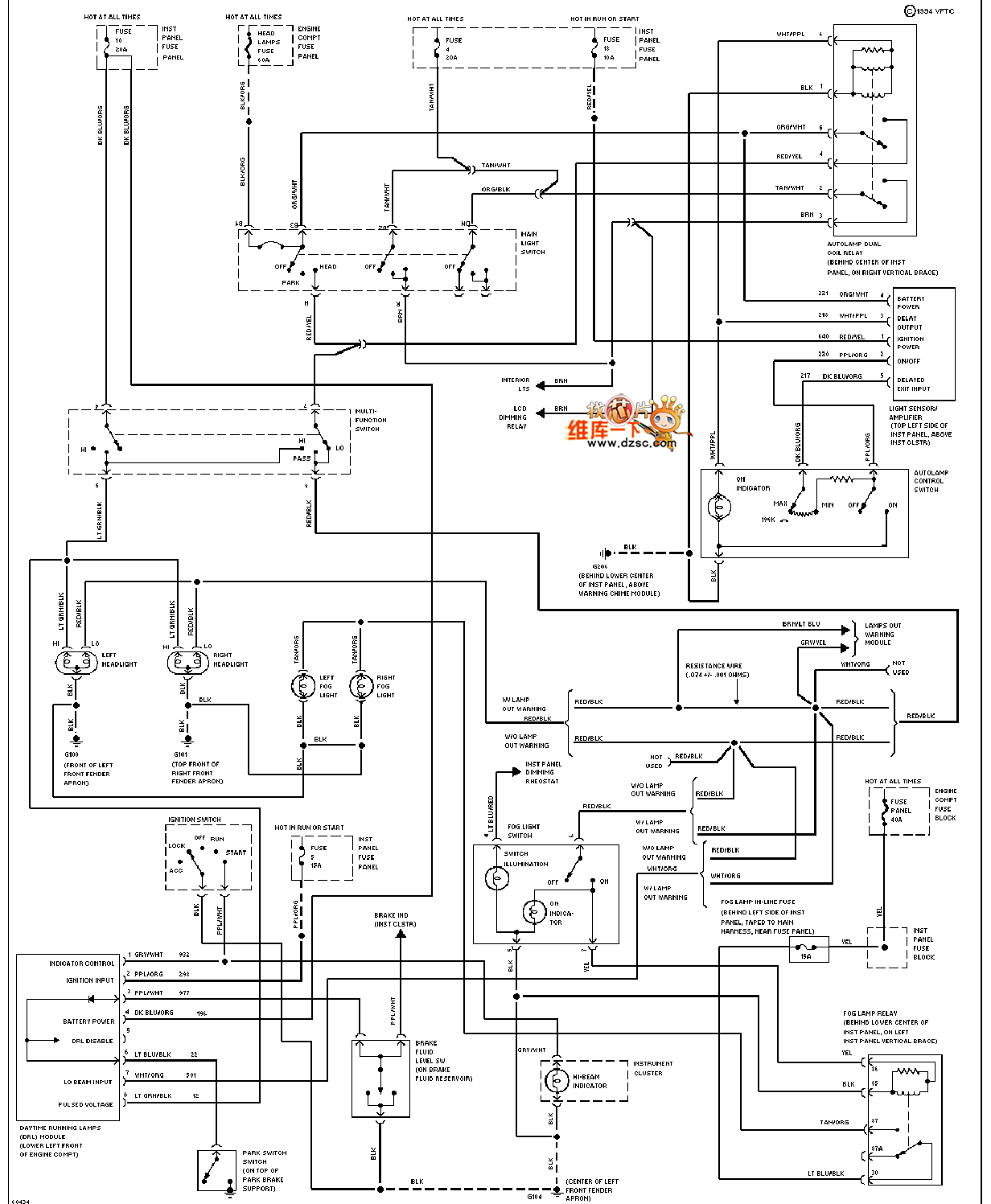
Published:2011/7/16 23:46:00 Author:nelly | Keyword: Mazda, automatic light | From:SeekIC

Reprinted Url Of This Article:
http://www.seekic.com/circuit_diagram/Automotive_Circuit/Mazda_94TAURUSwith_DRLautomatic_light_circuit_diagram.html
Print this Page | Comments | Reading(3)
Code: