Published:2011/7/18 5:37:00 Author:nelly | Keyword: Mazda, horn | From:SeekIC

Reprinted Url Of This Article:
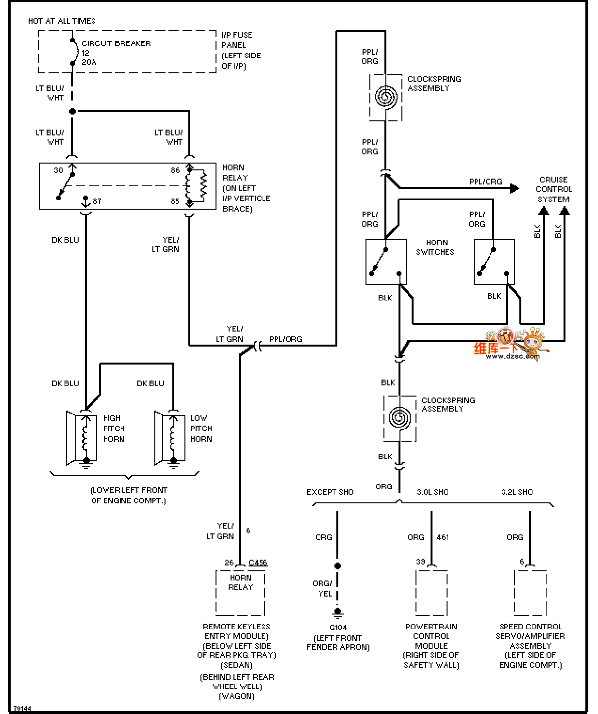
http://www.seekic.com/circuit_diagram/Automotive_Circuit/Mazda_95TAURUS_horn_circuit_diagram.html
Print this Page | Comments | Reading(3)
Code: