Published:2011/8/23 22:24:00 Author: | Keyword: Mazda, 96PROBE, charging system circuit | From:SeekIC

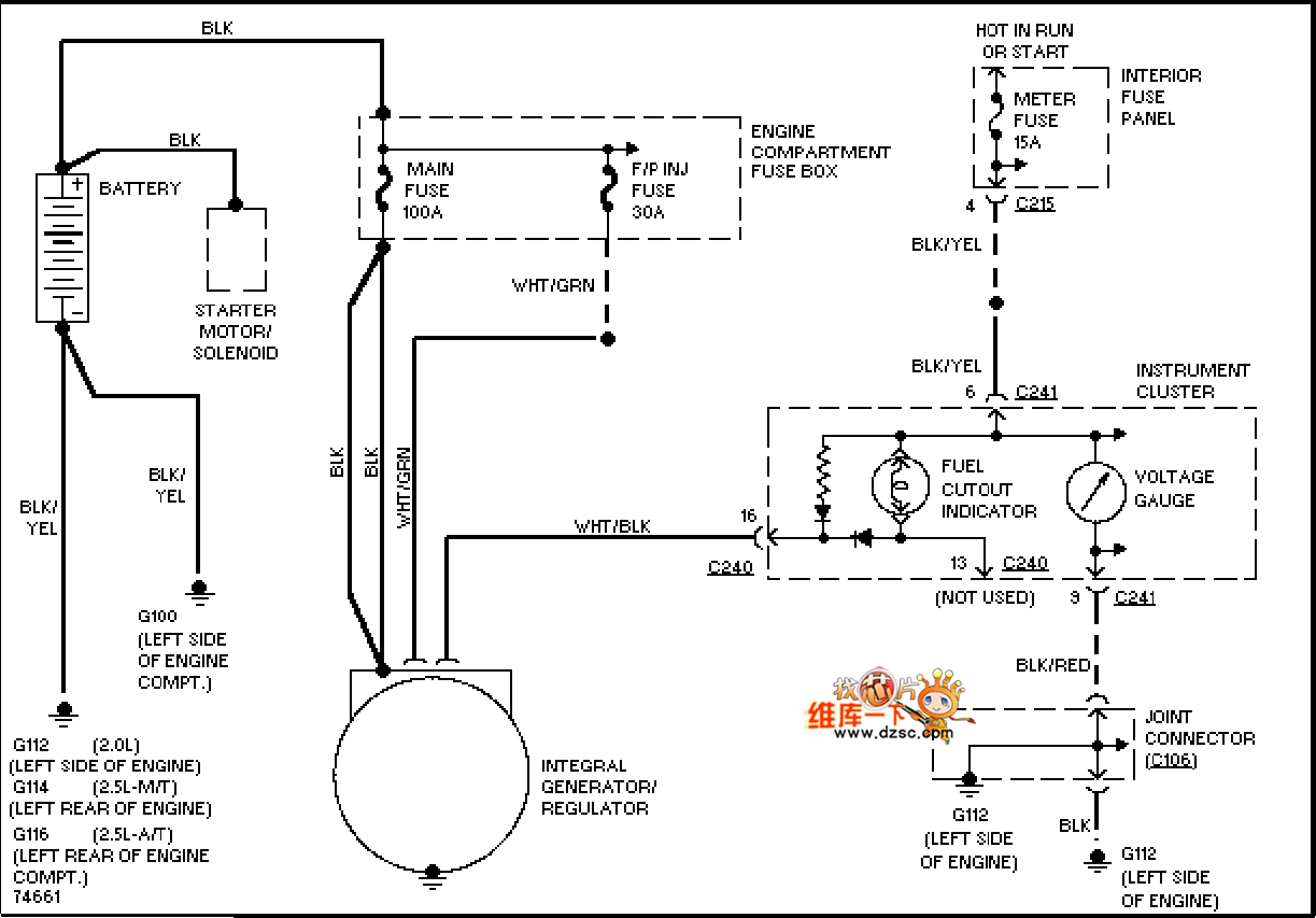
The Mazda 96PROBE(2.5L) charging system circuit is as shown in the figure:
Reprinted Url Of This Article:
http://www.seekic.com/circuit_diagram/Automotive_Circuit/Mazda_96PROBE25L_charging_system_circuit.html
Print this Page | Comments | Reading(3)
Code: