Published:2011/8/14 8:37:00 Author:Christina | Keyword: Mazda, 2.5L, gear box circuit | From:SeekIC

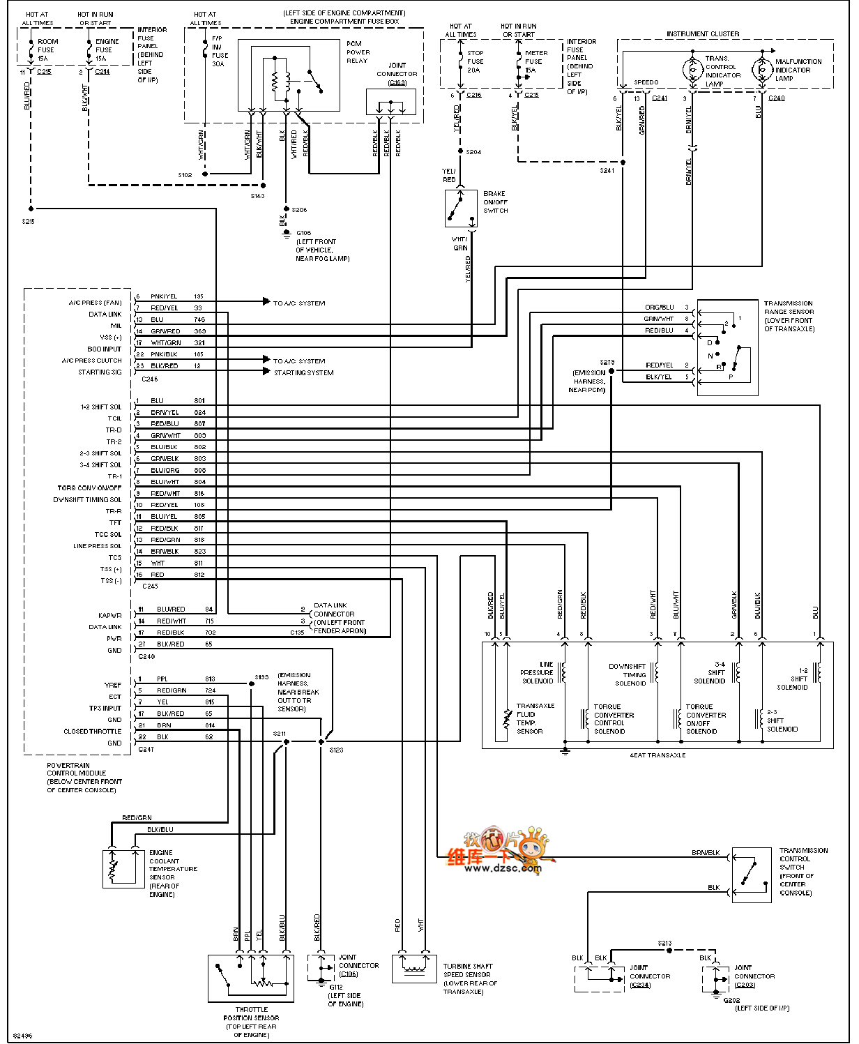
The Mazda 96PROBE(2.5L) gear box circuit is as shown in the figure:
Reprinted Url Of This Article:
http://www.seekic.com/circuit_diagram/Automotive_Circuit/Mazda_96PROBE25L_gear_box_circuit.html
Print this Page | Comments | Reading(3)
Code: