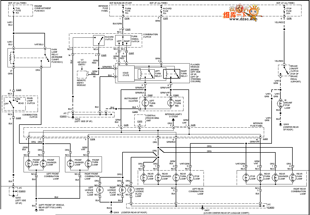
Published:2011/8/14 8:38:00 Author:Christina | Keyword: Mazda, external light circuit | From:SeekIC

The Mazda 96PROBE external light circuit is as shown in the figure:
Reprinted Url Of This Article:
http://www.seekic.com/circuit_diagram/Automotive_Circuit/Mazda_96PROBE_external_light_circuit.html
Print this Page | Comments | Reading(3)
Code: