Published:2011/8/14 8:33:00 Author:Christina | Keyword: Mazda, non-DRL, headlamp, fog lamp | From:SeekIC

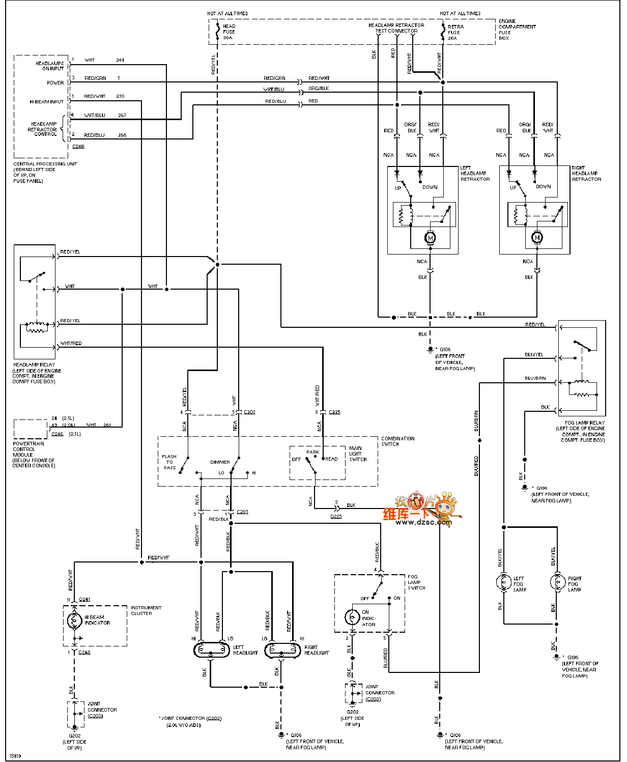
The Mazda 96PROBE(non-DRL) headlamp and fog lamp circuit is as shown in the figure:
Reprinted Url Of This Article:
http://www.seekic.com/circuit_diagram/Automotive_Circuit/Mazda_96PROBEnon_DRL_headlamp_and_fog_lamp_circuit.html
Print this Page | Comments | Reading(3)
Code: