Published:2011/8/11 8:33:00 Author:Robert | Keyword: Mazda, PROBE, 2.0L, Engine, Performance | From:SeekIC

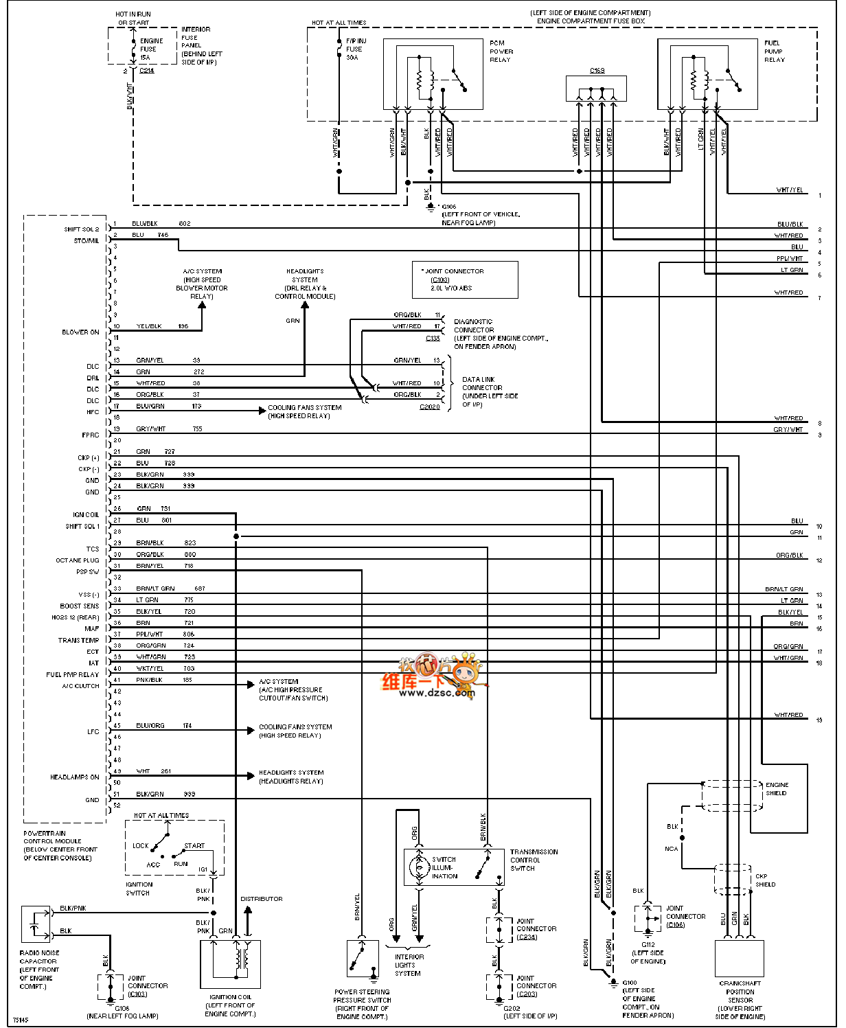
The Mazda 96 PROBE (2.0L) engine performance circuit is shown in the picture.
Reprinted Url Of This Article:
http://www.seekic.com/circuit_diagram/Automotive_Circuit/Mazda_96_PROBE_20L_Engine_Performance_Circuit.html
Print this Page | Comments | Reading(3)
Code: