Published:2011/8/11 7:50:00 Author:Robert | Keyword: Mazda, PROBE, ABS | From:SeekIC

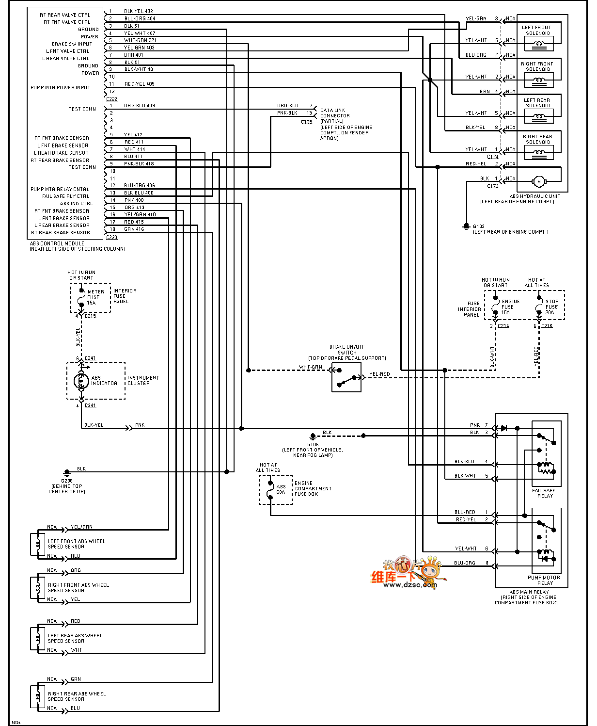
The Mazda 96 PROBE ABS circuit is shown in the picture.
Reprinted Url Of This Article:
http://www.seekic.com/circuit_diagram/Automotive_Circuit/Mazda_96_PROBE_ABS_Circuit.html
Print this Page | Comments | Reading(3)
Code: