Published:2011/8/11 7:53:00 Author:Robert | Keyword: Mazda, PROBE, Electric, Seat | From:SeekIC

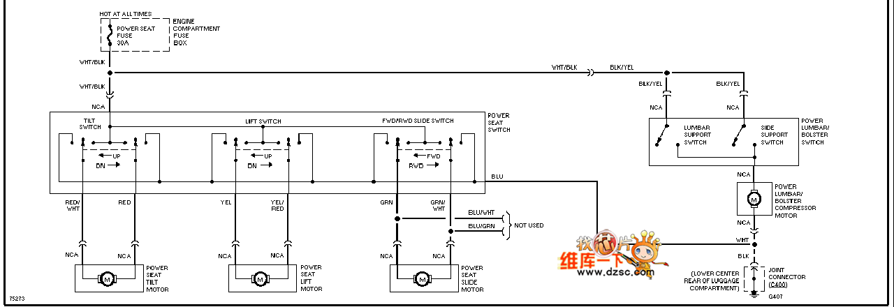
The Mazda 96 PROBE electric seat circuit is shown in the picture.
Reprinted Url Of This Article:
http://www.seekic.com/circuit_diagram/Automotive_Circuit/Mazda_96_PROBE_Electric_Seat_Circuit.html
Print this Page | Comments | Reading(3)
Code: