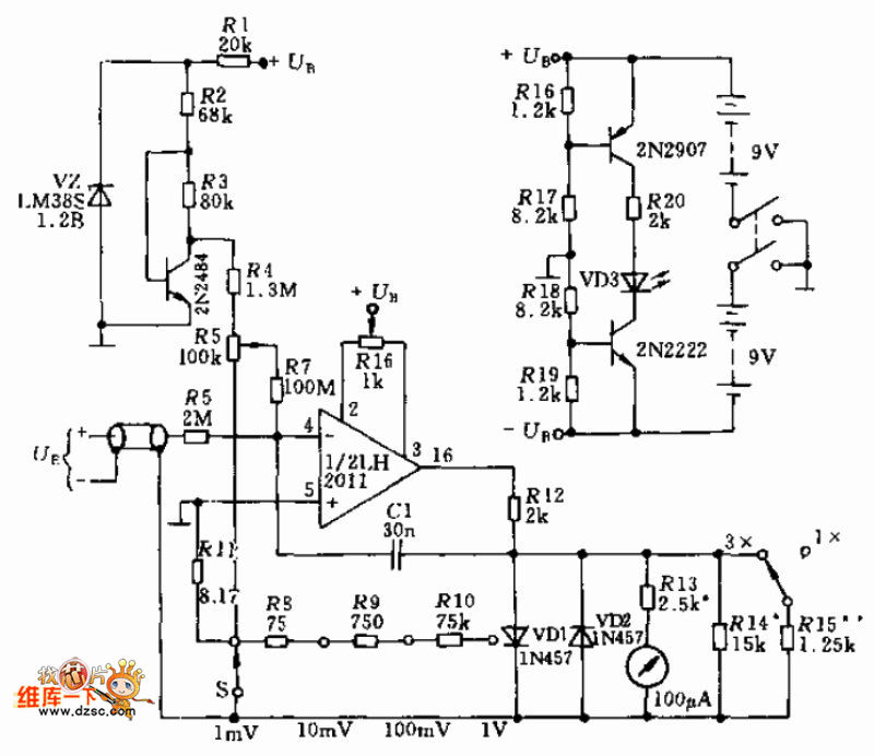
Published:2011/5/18 19:28:00 Author:John | Keyword: Millivoltmeter | From:SeekIC

Millivoltmeter circuit is shown below.
Reprinted Url Of This Article:
http://www.seekic.com/circuit_diagram/Automotive_Circuit/Millivoltmeter_circuit.html
Print this Page | Comments | Reading(3)
Code: