Published:2011/9/8 1:48:00 Author:Sue | Keyword: Modulator, Test Signal Generator | From:SeekIC

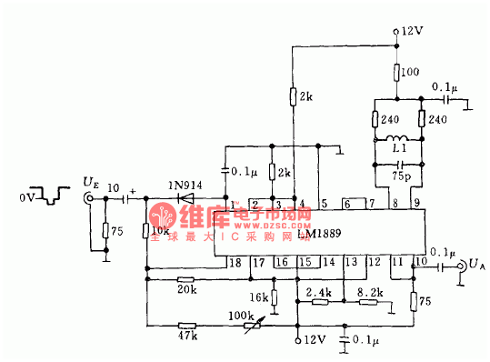
The picture shows the modulator circuit used by test signal generator.
Reprinted Url Of This Article:
http://www.seekic.com/circuit_diagram/Automotive_Circuit/Modulator_Circuit_Used_by_Test_Signal_Generator.html
Print this Page | Comments | Reading(3)
Code: