Published:2011/5/25 6:28:00 Author:Sue | Keyword: Multifunctional, Motor, Protector | From:SeekIC

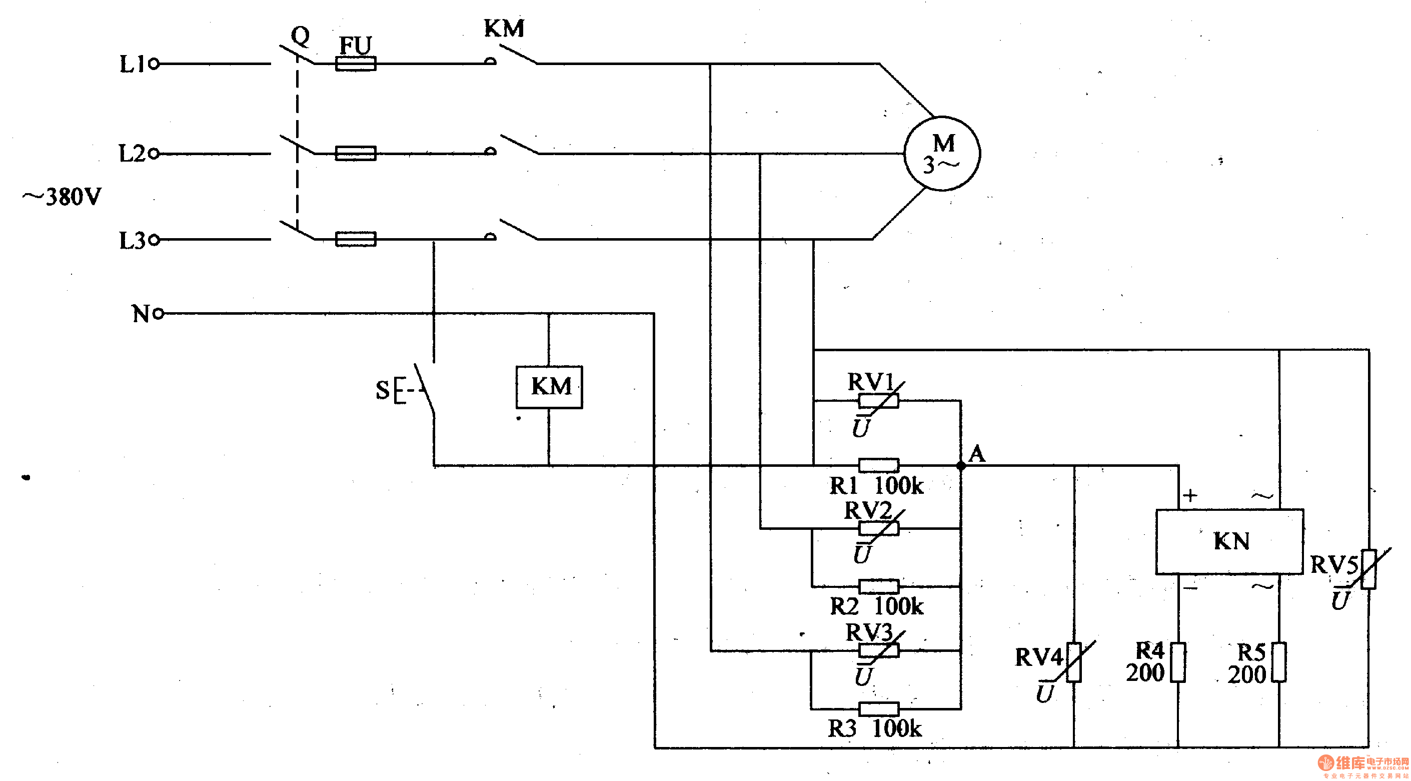
When the triphase alternating current power is working well, A's potential is 0V.
The protection circuit consists of RV4,RV5,R4,R5,KN,Q,FU,KM,S and M.
When any phase of the triphase alternating current power has an abnormal voltage, the public terminal's potential will be higher. KN's inside circuit will be connected. KM's coil will be short and KM is released. The power will be cut off to protect the motor.
Reprinted Url Of This Article:
http://www.seekic.com/circuit_diagram/Automotive_Circuit/Multifunctional_Motor_Protector_4.html
Print this Page | Comments | Reading(3)
Code: