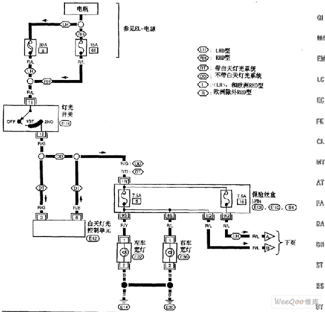
Published:2011/6/20 9:34:00 Author:Nancy | Keyword: Nissan, embarkation lamp | From:SeekIC


Reprinted Url Of This Article:
http://www.seekic.com/circuit_diagram/Automotive_Circuit/Nissan_A32_EL_embarkation_lamp_circuit_1.html
Print this Page | Comments | Reading(3)
Code: