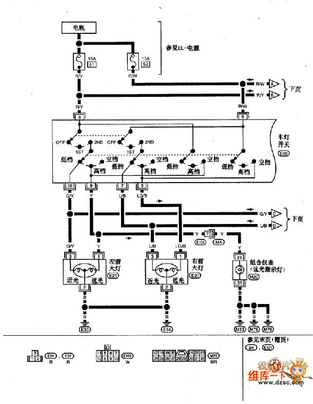
Published:2011/8/25 1:12:00 Author:Ecco | Keyword: Nissan , headlight, day lighting system | From:SeekIC

Reprinted Url Of This Article:
http://www.seekic.com/circuit_diagram/Automotive_Circuit/Nissan_A32_EL_headlight___day_lighting_system_circuit_diagram.html
Print this Page | Comments | Reading(3)
Code: