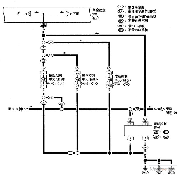
Published:2011/6/20 9:28:00 Author:Nancy | Keyword: Nissan, interior light | From:SeekIC

Reprinted Url Of This Article:
http://www.seekic.com/circuit_diagram/Automotive_Circuit/Nissan_A32_EL_interior_light_circuit_3.html
Print this Page | Comments | Reading(3)
Code: